ЭЛЕКТРОДВИГАТЕЛЬ КРАНОВЫЙ МТН 312-8 (MTF 312-8)
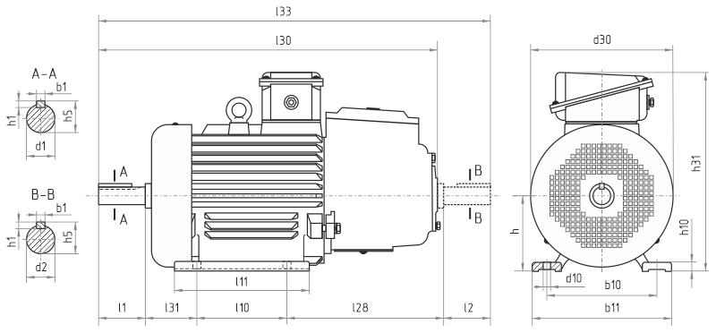
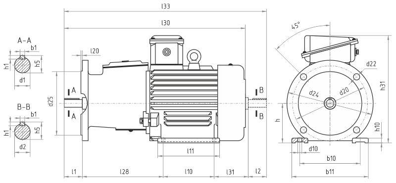
Габаритные, установочные и присоединительные размеры электродвигателей МТН 312-8 (MTF 312-8)
| Серия | Тип | IM | b1 | b10 | b11 | d1, d2 | d10 | d20 | d22 | d24 | d25 | d30 | h | h1 | h5 | h10 | h31 | l1, l2 | l10 | l11 | l20 | l28 | l30 | l31 | l33 |
| MTH | 312-8 (ENR10) | 1001, 1002 | 14 | 280 | 355 | 50 | 24 | - | - | - | - | 360 | 180 | 9 | 53,5 | 30 | 450 | 110 | 320 | 400 | - | 240 | 837 | 170* | 950 |
| 2001, 2002 | 14 | 280 | 355 | 50 | 24 | 300 | 4х18 | 350 | 250 | 360 | 180 | 9 | 53,5 | 30 | 450 | 110 | 320 | 400 | 5 | 240 | 837 | 170 | 950 | ||
| MTH | 312-8 (ENR15) | 1001,1002 | 14 | 280 | 355 | 50 | 24 | - | - | - | - | 360 | 180 | 9 | 53,5 | 22 | 465 | 110 | 320 | 409 | - | - | 840 | 170* | - |
| MTH | 312-8 | 1001, 1002 | 14 | 280 | 350 | 50 | 24 | - | - | - | - | - | 180 | 9 | 53,5 | 21,5 | 480 | 110 | 320 | 380 | - | - | 830 | 170* | 950 |
| 2001, 2002 | 14 | 280 | 350 | 50 | 24 | 300 | 4х18 | 350 | 250 | - | 180 | 9 | 53,5 | 21,5 | 480 | 110 | 320 | 380 | 5 | 860 | 260 | 971 |
* Электродвигатели, размер l31 которых обозначен *, в исполнениях IM1001 и IM2001 имеют рабочий конец вала со стороны противоположный щеточно-контактному механизму; остальные со стороны щеточно-контактного механизма (см. рис)
*** Электродвигатели с охлождением естественной конвекцией - IC410

Рис. 1. Исполнение IM1001, IM1002

Рис. 2. Исполнение IM2001, IM2002
Примечание: Габаритные размеры l30, l33, h31 и установочно-присоединительные размеры l11, b11, h10 приведены справочно и у разных производителей, а также в разных партиях, могут различаться. Если данные размеры являются критично значимыми, то их обязательное соответствие чертежу необходимо согласовать при заказе.
Купить электродвигатели крановые МТН 312-8 (MTF 312-8), а также другие аналогичные крановые двигатели серий (MTH, МТФ, ДМТF) со склада в г. Екатеринбург по самой выгодной цене, поддержка всех гарантийных обязательств производителя, постоянное наличие, доставка по России. КОНТАКТЫ
Полный ассортимент электродвигателей
общепромышленного назначения
