ЭЛЕКТРОДВИГАТЕЛЬ КРАНОВЫЙ МТН 111-6 (MTF 111-6)
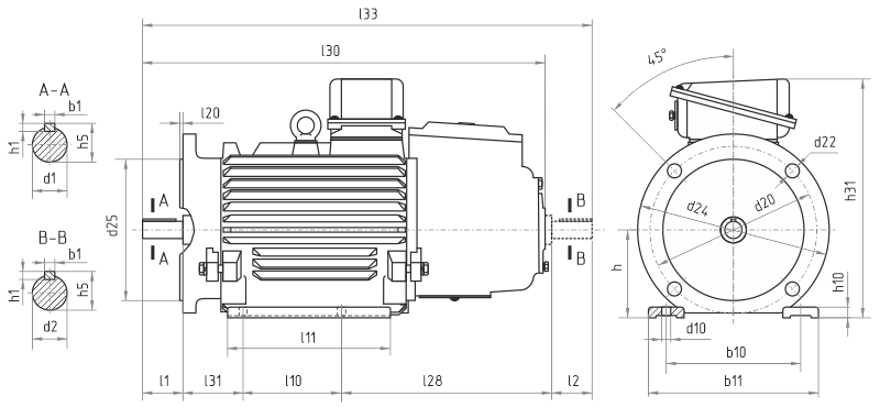
Габаритные, установочные и присоединительные размеры электродвигателей МТН 111-6 (MTF 111-6)
| Серия | Тип | IM | b1 | b10 | b11 | d1, d2 | d10 | d20 | d22 | d24 | d25 | d30 | h | h1 | h5 | h10 | h31 | l1, l2 | l10 | l11 | l20 | l28 | l30 | l31 | l33 |
| MTH | 111-6 (ENR10)*** | 1001, 1002 | 10 | 220 | 280 | 35 | 15 | - | - | - | - | 270 | 132 | 8 | 38 | 25 | 350 | 80 | 190 | 305 | - | 243 | 650 | 140* | 733 |
| 2001, 2002 | 10 | 220 | 280 | 35 | 15 | 300 | 4х18 | 330 | 250 | 270 | 132 | 8 | 38 | 25 | 350 | 80 | 190 | 305 | 5 | 269 | 690 | 140* | 733 | ||
| ДMTF | 111-6 | 1001,1002 | 10 | 220 | 290 | 35 | 15 | - | - | - | - | - | 132 | 8 | 38 | 20 | 342 | 80 | 190 | 240 | - | - | 586 | 140* | 673 |
| 2001,2002 | 10 | 220 | 290 | 35 | 15 | 300 | 4х18 | 330 | 250 | - | 132 | 8 | 38 | 20 | 342 | 80 | 190 | 240 | 5 | - | 586 | 140 | 673 |
* Электродвигатели, размер l31 которых обозначен *, в исполнениях IM1001 и IM2001 имеют рабочий конец вала со стороны противоположный щеточно-контактному механизму; остальные со стороны щеточно-контактного механизма (см. рис)
*** Электродвигатели с охлождением естественной конвекцией - IC410

Рис. 1. Исполнение IM1001, IM1002

Рис. 2. Исполнение IM2001, IM2002
Примечание: Габаритные размеры l30, l33, h31 и установочно-присоединительные размеры l11, b11, h10 приведены справочно и у разных производителей, а также в разных партиях, могут различаться. Если данные размеры являются критично значимыми, то их обязательное соответствие чертежу необходимо согласовать при заказе.
Купить электродвигатели крановые МТН 111-6 (MTF 111-6), а также другие аналогичные крановые двигатели серий (MTH, МТФ, ДМТF) со склада в г. Екатеринбург по самой выгодной цене, поддержка всех гарантийных обязательств производителя, постоянное наличие, доставка по России. КОНТАКТЫ
Полный ассортимент электродвигателей
общепромышленного назначения
