ЭЛЕКТРОДВИГАТЕЛЬ КРАНОВЫЙ ДВУХСКОРОСТНОЙ МТКН 511-4/24
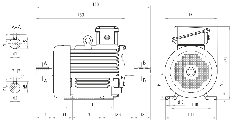
Габаритные, установочные и присоединительные размеры электродвигателей МТКН 511-4/24
| Серия | Тип | IM | b1 | b10 | b11 | d1, d2 | d5 | d10 | d20 | d22 | d24 | d25 | d30 | h | h1 | h5 | h10 | h31 | l1, l2 | l3 | l10 | l11 | l20 | l30 | l31 | l33 |
| МТКН | 511-4/24 (ENR10) | 1003, 1004 | 18 | 380 | 480 | 70 | M48x3 | 35 | - | - | - | - | 470 | 250 | 11 | 71,4 | 30 | 585 | 140 | 105 | 310 | 530 | - | 935 | 251* | - |
* Электродвигатели, размер l31 которых обозначен *, в исполнениях IM1001 и IM2001 имеют рабочий конец вала со стороны вентилятора; остальные - со стороны противоположной вентилятору (см. рис.)

Рис. 1. Исполнение IM1003, IM1004
Примечание: Габаритные размеры l30, l33, h31 и установочно-присоединительные размеры l11, b11, h10 приведены справочно и у разных производителей, а также в разных партиях, могут различаться. Если данные размеры являются критично значимыми, то их обязательное соответствие чертежу необходимо согласовать при заказе.
Купить электродвигатели крановые МТКН 511-4/24, а также другие аналогичные крановые двигатели серий (MTH, МТФ, ДМТF) со склада в г. Екатеринбург по самой выгодной цене, поддержка всех гарантийных обязательств производителя, постоянное наличие, доставка по России. КОНТАКТЫ
Полный ассортимент электродвигателей
общепромышленного назначения
