ЭЛЕКТРОДВИГАТЕЛЬ КРАНОВЫЙ ДВУХСКОРОСТНОЙ МТКН 312-6/16 (MTKF 312-6/16)
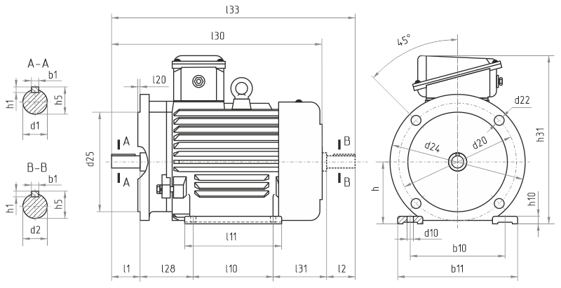
Габаритные, установочные и присоединительные размеры электродвигателей МТКН 312-6/16 (MTKF 312-6/16)
| Серия | Тип | IM | b1 | b10 | b11 | d1, d2 | d10 | d20 | d22 | d24 | d25 | d30 | h | h1 | h5 | h10 | h31 | l1, l2 | l10 | l11 | l20 | l28 | l30 | l31 | l33 |
| МТКН | 312-6/16 (ENR10) | 1001, 1002 | 14 | 280 | 355 | 50 | 24 | - | - | - | - | 360 | 180 | 9 | 53,5 | 30 | 450 | 110 | 320 | 400 | - | - | 655 | 170* | - |
| 2001, 2002 | 14 | 280 | 355 | 50 | 24 | 300 | 4x18 | 350 | 250 | 360 | 180 | 9 | 53,5 | 30 | 450 | 110 | 320 | 400 | 5 | 59 | 655 | - | - |
* Электродвигатели, размер l31 которых обозначен *, в исполнениях IM1001 и IM2001 имеют рабочий конец вала со стороны вентилятора; остальные - со стороны противоположной вентилятору (см. рис.)

Рис. 1. Исполнение IM1001, IM1002

Рис. 2. Исполнение IM2001, IM2002
Примечание: Габаритные размеры l30, l33, h31 и установочно-присоединительные размеры l11, b11, h10 приведены справочно и у разных производителей, а также в разных партиях, могут различаться. Если данные размеры являются критично значимыми, то их обязательное соответствие чертежу необходимо согласовать при заказе.
Купить электродвигатели крановые МТКН 312-6/16 (MTKF 312-6/16), а также другие аналогичные крановые двигатели серий (MTH, МТФ, ДМТF) со склада в г. Екатеринбург по самой выгодной цене, поддержка всех гарантийных обязательств производителя, постоянное наличие, доставка по России. КОНТАКТЫ
Полный ассортимент электродвигателей
общепромышленного назначения
